Get Started
Stainless Steel 2PC Ball Valve

Size Range:DN15-DN100

Pressure: 1000WOG

Body Material:SS304

Features: High precision and quality. The suitable medium includes wafer,steam,oil,nitric acid,acetic acid etc.It can be used in municipal construction, water project,electricity,water supply and drainage,water treatment,petrolum.

Get a Quote
Product Technical Catalogue
Product advantages

1. The chemical composition and mechanical properties of the main material meet the requirements of national standards.


2. All valve bodies and parts are processed by CNC machine tools and interchanged to ensure product accuracy.


3. The quality inspector inspects each incoming blank one by one, and the residual blank is directly processed back to the furnace.


4. Before the whole product is assembled, the kerosene and anti-rust oil are cleaned by high-pressure jet. After the pressure test, the test pressure medium is cleaned and sprayed with anti-rust oil. The cleanliness of the inner cavity meets the requirements of JB/T7748.


5. Each valve must be tested in accordance with national standards, unqualified products will never leave the factory.


Parameters

52-3.png


Parameter Information:

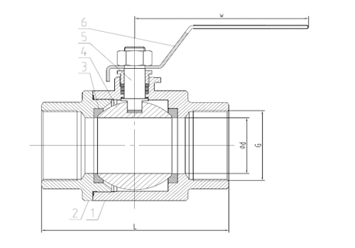
1. Executive standard:

Name Design & ManufactureFace to Face Pressure Testing 
Reference StandardGB/T 12237-2007GB/T 12221-2005GB/T 13927-2008


2. Material of Main Parts:

Name 1-Body2-Ball 3-Gland4-Seat sealing ring 5-Stem6-Lever
Material  304304PTFE304304201


3. Dimensions:

DNNPS(inch)GΦdLW
151/2''1/2156390
203/4''3/42073110
251''12584120
321  1/4''1  1/43298130
401  1/2''1  1/238106150
502''250121170
652  1/2''2  1/264146220
803''378166240
1004''4100204320